Basic Tutorial Lesson 3 Analyzing a Basic Bipolar Junction Transistor Circuit Diagram If you have checked out our tutorial Different Regions of BJT Operation, we've discussed how a bipolar junction transistor (BJT) operates in cutoff, saturation, and active regions. We have discussed the conditions in order for a BJT to operate in those different regions. The datasheet shows 0.95V max but in this circuit design, V BE(sat

The Bipolar Junction Transistor or BJT, is a solid-state current-controlled device which can be used to electronically switch a circuit, you can think of it as your normal Fan or Light switch, but instead of you turning it on manually it can be controlled electronically. Technically speaking, BJT is a three-terminal device with an Emitter
Introduction to Bipolar Junction Transistors (BJT) Circuit Diagram
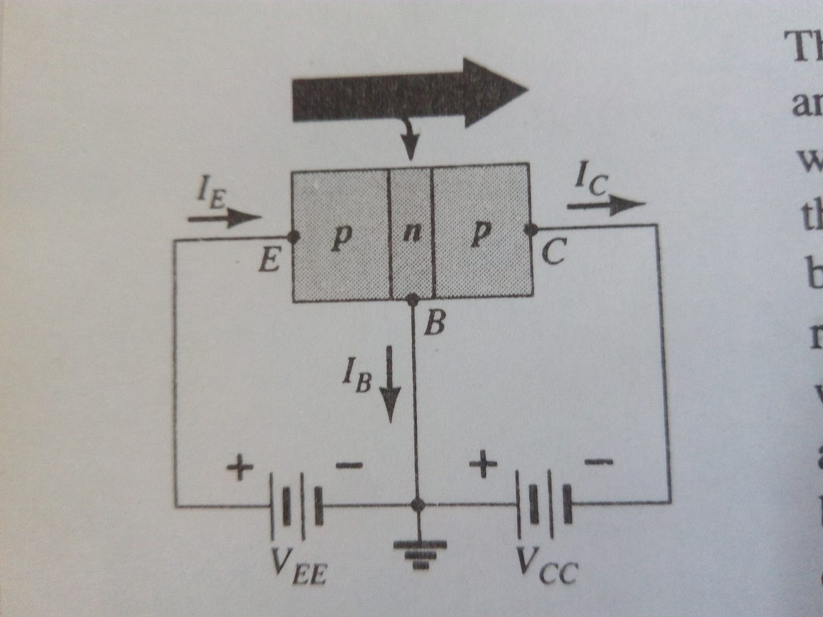
The term bipolar refers to the use of both holes and electrons as current carriers in the transistor structure. Figure 1: Basic BJT structure. The pn junction joining the base region and the emitter region is called the base-emitter junction. The pn junction joining the base region and the collector region is called the base-collector junction. The next section will explore in more detail the use of bipolar transistors as switching elements. Review on Bipolar Transistors. Bipolar transistors are so named because the controlled current must go through two types of semiconductor material: P and N. The current consists of both electron and hole flow in different parts of the transistor.

Key Components of Bipolar Junction Transistor (BJT) Emitter: purpose and function. The emitter is a pivotal element of a Bipolar Junction Transistor( BJT). Its primary function is to emit or fit charge carriers into the base region. In an NPN transistor, the emitter releases electrons, while in a PNP transistor, it emits holes. The Bipolar Junction Transistor (BJT) is one of the two most used types of transistors. You can use it to create audio amplifiers, switch on/off DC lamps, motors, and much more. In this tutorial aimed at beginners, you'll learn the basics you need to start having fun and design your own transistor circuits. Bipolar junction transistors (Also known as BJTs) can be used as an amplifier, filter, rectifier, oscillator, or even a switch, which we cover as an example in the first section. The transistor will operate as an amplifier or other linear circuit if the transistor is biased into the linear region.

Understanding Bipolar Junction Transistor (BJT): A Beginner's Guide Circuit Diagram
Qote: "Bipolar junctions transistors is current controlled which means a smaller current at the base controls the main current at the collector and emitter" Funny observation: A voltage of VBE=0.7V is always needed to "open" the transistor - but at the same time it is statet that the BJT would be current-controlled.
A bipolar junction transistor (BJT) is a three-layer semiconductor device consisting of two p-type layers and one n-type layer, or two n-type layers and one p-type layer. They're used when the circuit design necessitates a different polarity or when the power supply voltage is negative with respect to the ground reference. PNP transistors